Выключатели судовые
Выключатели судовые малогабаритные типа ВСЛ, предназначены для использования в электрических сетях с напряжением постоянного тока до 220 В, переменного тока частотой 50-60 Гц до 400 В кораблей и судов, находящихся под техническим наблюдением Заказчика МО РФ, Российского Морского Регистра Судоходства и Российского Классификационного Общества, всех районов плавания.
Основные параметры и
характеристики:
Изделия имеют климатическое исполнение ОМ 1 ГОСТ 15150, степень защиты IP67 ГОСТ 14254 и предназначены для установки:
- на открытой палубе;
- во внутренних сырых и невентилируемых помещениях
- во внутренних сухих помещениях.
По стойкости к механическим и климатическим воздействиям все изделия соответствуют требованиям ГОСТ РВ 20.39.304 для аппаратов группы исполнения 2.1.1, 2.1.2, 2.1.3, 2.2.1, 2.2.2, 2.3.1, 2.3.2.
Изделия укомплектованы герметическими латунными никелированными кабельными вводами и уплотнительными элементами под диаметры кабелей от 6 до 14 мм.
Изделия предназначены для установки на ремонтируемых и вновь проектируемых судах и кораблях. По своим техническим характеристикам (габаритным и установочным размерам, номинальному току, напряжению и присоединяемым кабелям) соответствуют требованиям технических условий ИДУШ.642311.002ТУ.
| Наименование | Условное обозначение | Номинальное напряжение, В номинальный ток, А соответственно | Категория размещения по ГОСТ 15150 |
|---|---|---|---|
| 1. Выключатель судовой двухполюсный малогабаритный в литом корпусе из алюминиевого сплава с односторонним подводом двух кабелей диаметром от 6 до 14 мм. | ВСЛ-А-220-2-2-Х-1 | ~=220В, 16А | 1 |
| 2. Выключатель судовой двухполюсный малогабаритный в литом корпусе из латуни с односторонним подводом двух кабелей диаметром от 6 до 14 мм. | ВСЛ-Л-220-2-2-Х-1 | ~=220В, 16А | 1 |
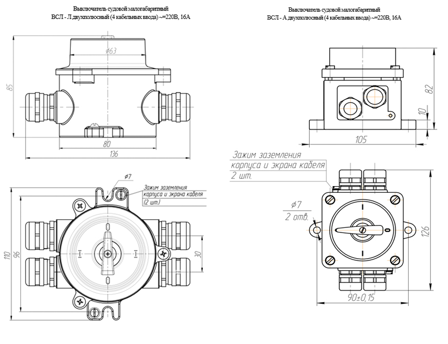
| 3. Выключатель судовой двухполюсный малогабаритный в литом корпусе из алюминиевого сплава с двухсторонним подводом четырех кабелей диаметром от 6 до 14 мм. | ВСЛ-А-220-2-4-Х-1 | ~=220В, 16А | 1 |
| 4. Выключатель судовой двухполюсный малогабаритный в литом корпусе из латуни с двухсторонним подводом четырех кабелей диаметром от 6 до 14 мм. | ВСЛ-Л-220-2-4-Х-1 | ~=220В, 16А | 1 |
| 5. Выключатель судовой трехполюсный малогабаритный в литом корпусе из алюминиевого сплава с односторонним подводом двух кабелей диаметром от 6 до 14 мм. | ВСЛ-А-Х-3-2-Х-1 | ~220В, 16А ~400В, 10А |
1 1 |
| 6. Выключатель судовой трехполюсный малогабаритный в литом корпусе из латуни с односторонним подводом двух кабелей диаметром от 6 до 14 мм. | ВСЛ-Л-Х-3-2-Х-1 | ~220В, 16А ~400В, 10А |
1 1 |