Розетки судовые
Розетки судовые штепсельные малогабаритные типа РСШЛ, розетки судовые штепсельные с выключателем малогабаритные типа РСШВЛ, розетки штепсельные малогабаритные типа РШ и вилки штепсельные типа ВШ предназначены для использования в электрических сетях с напряжением постоянного тока до 220 В, переменного тока частотой 50-60 Гц до 400 В кораблей и судов, находящихся под техническим наблюдением Заказчика МО РФ, Российского Морского Регистра Судоходства и Российского Классификационного Общества, всех районов плавания.
Основные параметры и
характеристики:
Изделия имеют климатическое исполнение ОМ 1 ГОСТ 15150, степень защиты IP67 ГОСТ 14254 и предназначены для установки:
- на открытой палубе;
- во внутренних сырых и невентилируемых помещениях
- во внутренних сухих помещениях.
По стойкости к механическим и климатическим воздействиям все изделия соответствуют требованиям ГОСТ РВ 20.39.304 для аппаратов группы исполнения 2.1.1, 2.1.2, 2.1.3, 2.2.1, 2.2.2, 2.3.1, 2.3.2.
Изделия укомплектованы герметическими латунными никелированными кабельными вводами и уплотнительными элементами под диаметры кабелей от 6 до 14 мм.
Изделия предназначены для установки на ремонтируемых и вновь проектируемых судах и кораблях. По своим техническим характеристикам (габаритным и установочным размерам, номинальному току, напряжению и присоединяемым кабелям) соответствуют требованиям технических условий ИДУШ.642311.004ТУ.
Типоисполнение розеток судовых штепсельных малогабаритных
| Наименование | Условное обозначение | Номинальное напряжение, В номинальный ток, А соответственно | Категория размещения по ГОСТ 15150 |
|---|---|---|---|
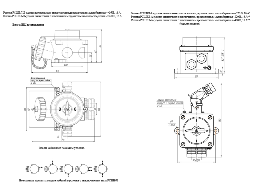
| 1. Розетка судовая штепсельная малогабаритная двухполюсная в литом корпусе из алюминиевого сплава с односторонним подводом одного или двух кабелей диаметром от 6 до 14 мм. | РСШЛ-А-36-2-Х-Х-1 | ~=36В, 16А | 1 |
| 2. Розетка судовая штепсельная малогабаритная двухполюсная в литом корпусе из латуни с односторонним подводом одного или двух кабелей диаметром от 6 до 14 мм. | РСШЛ-Л-36-2-Х-Х-1 | ~=36В, 16А | 1 |
| 3. Розетка судовая штепсельная малогабаритная двухполюсная в литом корпусе из алюминиевого сплава с односторонним подводом одного или двух кабелей диаметром от 6 до 14 мм. | РСШЛ-А-220-2-Х-Х-1 | ~=220В,16А | 1 |
| 4. Розетка судовая штепсельная малогабаритная двухполюсная в литом корпусе из латуни с односторонним подводом одного или двух кабелей диаметром от 6 до 14 мм. | РСШЛ-Л-220-2-Х-Х-1 | ~=220В,16А | 1 |
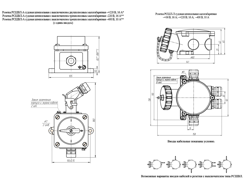
| 6. Розетка судовая штепсельная малогабаритная трехполюсная в литом корпусе из алюминиевого сплава с односторонним подводом одного или двух кабелей диаметром от 6 до 14 мм. | РСШЛ-А-Х-3-Х-Х-1 | ~220В, 16А ~400В, 10А |
1 1 |
При заказе РСШЛ необходимо указывать:
- Напряжение питающей сети.
- Сечение жил питающего кабеля.
Типоисполнение розеток судовых штепсельных с выключателями малогабаритных
| Наименование | Условное обозначение | Номинальное напряжение, В номинальный ток, А соответственно | Категория размещения по ГОСТ 15150 |
|---|---|---|---|
| 1. Розетка судовая штепсельная с двухполюсным выключателем малогабаритная в литом корпусе из алюминиевого сплава с односторонним подводом одного или двух кабелей диаметром от 6 до 14 мм. | РСШВЛ-А-36-2-Х-Х-1 | ~=36В, 16А | 1 |
| 2. Розетка судовая штепсельная с двухполюсным выключателем малогабаритная в литом корпусе из латуни с односторонним подводом одного или двух кабелей диаметром от 6 до 14 мм. | РСШВЛ-Л-36-2-Х-Х-1 | ~=36В, 16А | 1 |
| 3. Розетка судовая штепсельная с двухполюсным выключателем малогабаритная в литом корпусе из алюминиевого сплава с односторонним подводом одного или двух кабелей диаметром от 6 до 14 мм. | РСШВЛ-А-220-2-Х-Х-1 | ~=220В, 16А | 1 |
| 4. Розетка судовая штепсельная с двухполюсным выключателем малогабаритная в литом корпусе из латуни с односторонним подводом одного или двух кабелей диаметром от 6 до 14 мм. | РСШВЛ-Л-220-2-Х-Х-1 | ~=220В, 16А | 1 |
| 7. Розетка судовая штепсельная с трехполюсным выключателем малогабаритная в литом корпусе из алюминиевого сплава с односторонним подводом одного или двух кабелей диаметром от 6 до 14 мм. | РСШВЛ-А-Х-3-Х-Х-1 | ~220В, 16А ~400В, 10А |
1 1 |
При заказе РСШВЛ необходимо указывать:
- Напряжение питающей сети.
- Сечение жил питающего кабеля.
Типоисполнение розеток штепсельных малогабаритных
| Наименование | Условное обозначение | Номинальное напряжение, В номинальный ток, А соответственно | Категория размещения по ГОСТ 15150 |
|---|---|---|---|
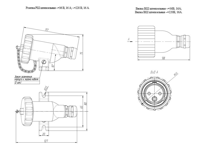
| 1. Розетка штепсельная малогабаритная в литом корпусе из латуни с односторонним подводом одного кабеля диаметром от 6 до 14 мм. | РШ-36-2-Х-1 | ~=36В, 16А | 1 |
| 2. Розетка штепсельная малогабаритная в литом корпусе из латуни с односторонним подводом одного кабеля диаметром от 6 до 14 мм. | РШ-220-2-Х-1 | ~=220В, 16А | 1 |
Типоисполнение вилок штепсельных малогабаритных приведены
| Наименование | Условное обозначение | Номинальное напряжение, В номинальный ток, А соответственно | Категория размещения по ГОСТ 15150 |
|---|---|---|---|
| 1. Вилка штепсельная малогабаритная в литом корпусе из латуни с односторонним подводом одного кабеля диаметром от 6 до 14 мм. | ВШ-36-2-Х-1 | ~=36В, 16А | 1 |
| 2. Вилка штепсельная малогабаритная в литом корпусе из латуни с односторонним подводом одного кабеля диаметром от 6 до 14 мм. | ВШ-220-2-Х-1 | ~=220В, 16А | 1 |